Gửi email cho chúng tôi

Mazak BT kéo Stud

Dùng cho máy mazak.

Mua Mazak BT kéo Stud

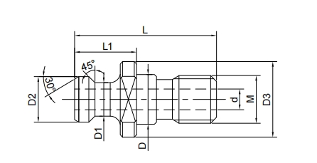
Đặc điểm kỹ thuật của Stud kéo mazak

Đặc điểm kỹ thuật của Stud kéo mazak

Kích thướcLL1D2D1D3DDM
Mazak-BT40 C44.119.118.812.4522177M16
Mazak-BT50 C65.225.22920.83372510M24
Mazak-BT40 co44.119.118.812.4522177M16
Mazak-BT50 co65.225.22920.83372510M24


Dụng cụ tiếp xúc sáng
Địa chỉ:
253000, Đại lộ chongde 5, Quận mới gaotie, Đức Châu, Sơn Đông, Trung Quốc.
Được tư vấn miễn phí
Công cụ sáng sủa, tương lai tươi sáng
Điện thoại :
86-534-8127588
Địa chỉ :
253000, Đại lộ chongde 5, Quận mới gaotie, Đức Châu, Sơn Đông, Trung Quốc.
Liên kết nhanh
Công ty Nhà Giá đỡ dụng cụ CNC Video Giới thiệu về BRIGHT-Tools Bộ chuyển đổi BT sang PSC 2025-Danh mục dụng cụ sáng Giá đỡ dụng cụ DIN69880-VDI Giá đỡ dụng cụ morse Giá đỡ dụng cụ khoan Bộ chuyển đổi SK sang PSC Bộ chuyển đổi HSK sang PSC Máy co rút, tiêu chuẩn Giá đỡ dụng cụ BMT là gì? Ag90 Agu Giá đỡ dụng cụ tiện Giá đỡ dụng cụ tiện Mâm cặp co giãn kéo dài có sẵn trong kho Emo Hannover-2023_copy20241023 Sản phẩm | Ống kẹp thủy lực được nâng cấp và mới! Đầu kẹp ER với đai ốc UM Đầu kẹp BBT ER với đai ốc UM Mâm cặp MTA morse côn ER Ống kẹp ER Chốt kéo BT B1a xuyên tâm, ngắn, chất làm mát Mâm cặp DIN 69871 ER với đai ốc UM Đầu kẹp ANSI b5.50 ER với đai ốc UM Đầu kẹp DIN 69893 (ISO 12164) HSK-E ER Din2080 ER Collet Chuck với đai ốc nhỏ Giá đỡ dụng cụ tiện BMT OD Giá đỡ thanh khoan hsk· t Đầu kẹp NBT ER Đầu kẹp ER không có khe ổ đĩa với đai ốc lục giác Giá đỡ dụng cụ khoan JIS B 6339 ER Nut-um Cờ lê ER-lục giác ỐNg Lót dụng cụ Loại B Đầu kẹp côn ER MTB morse Tay áo giảm cho Giá đỡ thanh khoan AG90-ER11 Cách khóa giá đỡ dụng cụ SLA Giá đỡ dụng cụ có bao nhiêu phương pháp kẹp? Giá đỡ công cụ SLA của bạn tại sao nó lại Đắt Như vậy? Hộp đựng dụng cụ BRIGHT-TOOLS phù hợp với giá đỡ dụng cụ thương hiệu khác Mod-Change adopter Thời gian cài đặt adatper giá đỡ dụng cụ Quy trình vận hành máy nhiệt Video này là một lời giải thích chi tiết về máy làm sạch côn giữ dụng cụ của chúng tôi 2 cái BT Slim shrink Fit Chuck Mâm cặp thu nhỏ BT, 3 °, mỏng, tạo thành một Mâm cặp thu nhỏ BT, 3 °, mỏng, mẫu B Mâm cặp thu nhỏ BT, 3 °, thông thường, mẫu A Mâm cặp co HSK-A, 3 °, thông thường, mẫu A Mâm cặp thu nhỏ BT, 3 °, thông thường, mẫu B Mâm cặp thu nhỏ BT, 3 °, thông thường, chất làm mát Đầu Hướng trục Bmt, DIN 1809 Bản vẽ kỹ thuật của mâm cặp TG Nối dài kẹp co Giá đỡ máy nghiền mặt Sản phẩm Công cụ tĩnh và điều khiển Trợ giúp kỹ thuật Dụng cụ giữ sáng Ống kẹp Phụ Kiện Giá đỡ dụng cụ khoan Giá đỡ dụng cụ làm mát DIN69880-VDI Công cụ 2025-bt Máy co giãn, làm mát Giá đỡ dụng cụ DIN69880-VDI Đầu kẹp ER với đai ốc lục giác BT40 SFS 06 160 3 ° Giá đỡ dụng cụ CNC/giá đỡ dụng cụ ER Bộ Ống kẹp ER Chốt kéo SK Mâm cặp MTA morse côn oz Mâm cặp DIN 69871er với đai ốc lục giác Đầu kẹp ANSI b5.50 ER với đai ốc lục giác Giá đỡ máy nghiền mặt DIN 69893 (ISO 12164) HSK-E Đầu kẹp din2080 ER với đai ốc UM Đầu kẹp BBT ER với đai ốc lục giác B2A xuyên tâm, ngắn, chất làm mát Hsk· t công cụ tiện SBH cho bên ngoài và phải đối mặt Đầu kẹp ER không có khe ổ đĩa với đai ốc MS Đầu Hướng Tâm Bmt, DIN 1809 Giá đỡ dụng cụ khoan DIN 69871 ER Nut-Hex Cờ lê ER-Mini ỐNg Lót dụng cụ loại J Xe đẩy công cụ tiêu chuẩn Đầu kẹp ống côn oz morse MTB Tay áo giảm cho Giá đỡ thanh khoan SL40-20 Thiết bị khóa cho 7/24 và giá đỡ dụng cụ côn HSK AG90-ER16 AG90-ER20 AG90-ER25 AG90-ER32 AG90-ER40 AG90-BT30 AG90-BT40 AGB-BT40 AG90-BT50 AG90-ER16X2 AG90-ER20X2 AG90-ER25X2 AG90-ER32X2 AG90-ER40X2 AG90-BT40X2 AG90-F50 AG90-F63 AG90-F80 AG90-F100 AGU-ER16 AGU-ER20 AGU-ER25 AGU-ER32 AGU-BT50 Bạn có muốn tỏa sáng với giá đỡ dụng cụ của mình không? Vui lòng chọn thiết bị vệ sinh của chúng tôi Quy trình vận hành máy co nhiệt Mỏng nối dài kẹp co giãn Mâm cặp co HSK-A, 3 °, mỏng, tạo thành một Mâm cặp co HSK-A, 3 °, mỏng, mẫu B Mâm cặp co HSK-E, 3 °, thông thường, mẫu A Mâm cặp co HSK-A, 3 °, thông thường, mẫu B Ưu điểm Công ty Dụng cụ khoan Tin nóng hổi! Đây là cánh tay robot! Đinh Tán kéo Giá đỡ dụng cụ BMT Dụng cụ 2025-sk Túi đựng dụng cụ Máy co giãn, làm mát Mâm cặp thủy lực BT, tiêu chuẩn Giới thiệu Giá đỡ dụng cụ co nhiệt Đinh kéo ISO 7388 Giá đỡ máy nghiền mặt côn MTA morse Giá đỡ xuyên tâm dạng B1 phải, ngắn Đầu kẹp ER với đai ốc Mini Mâm cặp kẹp DIN 69871 ER với đai ốc Mini DIN 69893 (ISO 12164) HSK-E Weldon End Mill chủ sở hữu Mâm cặp điện din2080 B3a xuyên tâm, ngắn, chất làm mát Hsk· t công cụ tiện sbv cho bên ngoài và cắt Đầu kẹp NBT SKS Đầu kẹp ER không có khe ổ đĩa với đai ốc UM BMT khối công cụ tiện gấp đôi OD Giá đỡ dụng cụ khoan DIN 69893 HSK-A Ống kẹp kín cao su ER Nut-Mini Cờ lê ER-um ỐNg Lót dụng cụ Loại C Giá đỡ dụng cụ Thiết bị khóa cho giá đỡ dụng cụ côn 7/24 Giá đỡ máy phay côn morse MTB Quy trình vận hành thiết bị vệ sinh giá đỡ dụng cụ Đầu kẹp BBT ER với đai ốc Mini Đầu kẹp ANSI b5.50 ER, ngắn Dụng cụ tháo lưỡi dao hỏng máy co nhiệt Ống bọc giữ dụng cụ mặt bích ER Collet Chuck, mô-đun Mâm cặp co rút BT 4.5 ° Mâm cặp co rút mỏng BT 3 ° Mâm cặp co HSK-E, 3 °, mỏng, tạo thành một Mâm cặp co HSK-E, 3 °, mỏng, mẫu B Mâm cặp co HSK-F, 3 °, thông thường, mẫu A Mâm cặp co HSK-E, 3 °, thông thường, mẫu B Đầu Hướng trục VDI, DIN 1809 Dụng cụ tiện cho mặt ngoài và mặt Mâm cặp co BBT 4.5 ° Sản phẩm stucture Dịch vụ Phụ Kiện Giá đỡ dụng cụ Thiết bị vệ sinh giá đỡ dụng cụ 2025-Dụng cụ cho mèo Đai ốc kẹp Đầu kẹp ER, ngắn Máy co giãn, làm mát Mâm cặp co tiêu chuẩn 4.5 ° Sản phẩm mâm cặp thủy lực Đầu khoan mảnh Máy cắt đôi đầu khoan thô, SP/SC Đinh Tán kéo cho mèo Mẫu giữ hướng tâm B2 trái, ngắn Hsk· t công cụ tiện SBN cho bên ngoài và mặt Đầu kẹp din2080 oz Máy cắt đôi đầu khoan thô, CC B4A xuyên tâm, ngắn, chất làm mát Hsk· t công cụ tiện SBT cho bên ngoài và mặt Giá đỡ dụng cụ tiện mặt BMT Giá đỡ dụng cụ khoan DIN 69893 HSK-F Giá đỡ máy nghiền vỏ côn côn morse MTB ER Nut-MS Cờ lê ER-MS Giá đỡ dụng cụ ống lót loại DD Tủ đựng dụng cụ Mâm cặp thủy lực HSK-F, tiêu chuẩn Thiết bị vệ sinh giá đỡ dụng cụ Đầu kẹp ER, ngắn Đầu kẹp DIN 69871 ER, ngắn Mâm cặp co rút BT 4.5 °, chất làm mát SK mâm cặp co rút mỏng 3 ° Mâm cặp co HSK-F, 3 °, mỏng, tạo thành một Mâm cặp co HSK-F, 3 °, mỏng, mẫu B Đầu Hướng Tâm VDI, DIN 1809 Cấu trúc sản phẩm Cấu trúc sản phẩm Cấu trúc sản phẩm Giải pháp Chống rung Đặc điểm của mâm cặp thủy lực Dụng cụ 2025-hsk-a Cờ lê Ống kẹp Thiết bị vệ sinh giá đỡ dụng cụ Sản phẩm | Phân Tích Chuyên Sâu Giá đỡ máy khoan APU và CPU Mâm cặp thủy lực HSK-A, tiêu chuẩn Mâm cặp điện BBT Giá đỡ dụng cụ công cụ CNC hoàn thiện mâm cặp thủy lực co rút vừa vặn Dụng cụ CNC sáng Chốt kéo OTT Cờ lê móc Dạng giữ hướng tâm B3 đảo ngược phải, ngắn Mâm cặp Công suất DIN 69871 Mâm cặp điện ANSI b5.50 Ống kiểm tra trục chính DIN 69893 (ISO 12164) HSK-E Giá đỡ máy nghiền khuôn mặt din2080 B1b4a xuyên tâm, ngắn, chất làm mát Đầu kẹp GER Giá đỡ dụng cụ thanh khoan BMT Giá đỡ dụng cụ khoan cầu JIS B 6339 Đai ốc GER ỐNg Lót dụng cụ loại Z ER Ống kẹp kín, cứng Xe đẩy đựng dụng cụ TL Giá đỡ dụng cụ xe đẩy Nối dài giá đỡ dụng cụ khoan ỐNg Lót dụng cụ loại cv Xe đẩy công cụ TD Mâm cặp co kênh mql1 SK mâm cặp co 4.5 ° Mâm cặp co rút mỏng HSK-A 3 ° Đầu Hướng trục VDI, offset, DIN 1809 Máy Giá đỡ dụng cụ co rút Tiêu chuẩn mâm cặp thủy lực Công cụ 2025-hsk-t Tay áo giảm thanh khoan Tính năng mâm cặp thủy lực Giá đỡ máy nghiền khuôn mặt giảm xóc BRIGHT-TOOLS shrink Fit Hộp đựng dụng cụ CNC BRIGHT-Tools Đinh Tán kéo ISO Cờ lê Mẫu giữ hướng tâm B4 đảo ngược sang trái, ngắn ER đai ốc kín Đầu kẹp oz Din2080 Giá đỡ máy nghiền vỏ Combi B1b4ak Giá đỡ kẹp hướng tâm, ngắn, làm mát, nêm Mâm cặp thủy lực HSK-E, tiêu chuẩn Giá đỡ thanh khoan Bmt, chất làm mát bên trong và bên ngoài MTA mâm cặp khai thác thân thẳng Giá đỡ dụng cụ khoan cầu DIN 69871 Giá đỡ dụng cụ khoan cầu DIN 69893 Dụng cụ giảm công cụ khoan Mâm cặp điện BBT SK điện phay Chuck Đầu kẹp phay điện hình mèo Mâm cặp co kênh mql2 SK mâm cặp co 4.5 °, chất làm mát Mâm cặp co rút mỏng HSK-E 3 ° Chất làm mát mở rộng kẹp co Đầu Hướng Tâm VDI, offset, DIN 1809 Danh Mục Mâm cặp thủy lực Điện phay Chuck Dụng cụ 2025-nt ỐNg Lót giá đỡ dụng cụ Thiết bị vệ sinh giá đỡ dụng cụ Giá đỡ Dụng cụ giảm xóc Mâm cặp co rút mỏng, 3 ° Mazak BT kéo Stud Giá đỡ xuyên tâm dạng B5 phải, dài Mâm cặp TG Din2080 giá đỡ đầu máy Weldon B2b3a xuyên tâm, ngắn, chất làm mát Mâm cặp thủy lực BBT, tiêu chuẩn Dụng cụ tiện HSK-T dclnr | dclnl 95 °/80 ° Máy cắt đôi đầu khoan thô Ống kẹp kín ER Oz NUT Giá đỡ khoan bsb90 ° với mũi khoan vuông Giá đỡ khoan 45 ° tqc với mũi khoan vuông Đinh Tán Kéo Mèo mazak Mâm cặp Cat shrink Fit 4.5 ° Đầu Hướng trục VDI, DIN 5480 Câu hỏi thường gặp Đội ngũ bán hàng Dụng cụ GOST 2025- Thiết bị khóa giữ dụng cụ Nguyên lý làm việc của giá đỡ dụng cụ thủy lực Giá đỡ dụng cụ MOD Giá đỡ dụng cụ khoan hoàn thiện giảm xóc tích hợp Linh kiện máy CNC BRIGHT-Tools Đầu khoan thô Giá đỡ xuyên tâm dạng B6 trái, dài Đầu kẹp vít chính xác Mâm cặp DIN 69871 oz Din2080 Bộ chuyển đổi côn morse với tang B2b3ak Giá đỡ kẹp hướng tâm, ngắn, làm mát, nêm Nối dài mâm cặp co rút mỏng 3 ° Mâm cặp thủy lực SK, tiêu chuẩn Dụng cụ tiện HSK-T pclnr | pclnl 95 °/80 ° Đai ốc SKS Đầu khoan nhỏ tinh xảo Thanh khoan siêu nhỏ nbj20 Bộ dụng cụ khoan bh2084 Bộ khoan lỗ siêu nhỏ DCK5-FB50P Bộ khoan lỗ siêu nhỏ DCK6-FB50P Mâm cặp Cat shrink Fit 4.5 °, chất làm mát 2 chiếc mâm cặp co rút mỏng BT, chất làm mát Đầu Hướng Tâm VDI, DIN 5480 Mâm cặp co HSK-A, 3 °, thông thường, chất làm mát Tin tức Đầu góc Dụng cụ 2025-vdi Giá đỡ dụng cụ JIS B 6339-bt Triển lãm máy công cụ 2019 Ống làm mát HSK Các tính năng của mâm cặp vừa vặn với hai thân máy Đầu kẹp co lắp mô-đun Điện phay Chuck Mâm cặp co giãn Phụ kiện máy công cụ CNC Dạng giữ hướng tâm B7 đảo ngược phải, dài Đầu kẹp ANSI b5.50 TG Din2080 Bộ chuyển đổi côn morse Có thanh kéo B5ak Giá đỡ kẹp hình tròn, dài, làm mát, nêm Dụng cụ tiện HSK-T dcmnn 50 °/80 °/50 ° ER khai thác Ống kẹp kín Mâm cặp thủy lực BT, mỏng Mâm cặp co HSK-A 4.5 ° Đầu Hướng trục VDI, offset, DIN 5480 Mâm cặp co HSK-E, 3 °, thông thường, chất làm mát Mâm cặp co HSK-F, 3 °, thông thường, chất làm mát Liên hệ với chúng tôi PSC Giá đỡ dụng cụ JIS B 6339-bbt Triển lãm BRIGHT-TOOLS năm 2018 Vòng truyền động ly hợp Nguyên tắc làm việc của mâm cặp co Đầu kẹp BBT SKS Dụng cụ co rút Ống kẹp chuôi thẳng Dạng giữ hướng tâm B8 đảo ngược sang trái, dài Đầu kẹp vít chính xác ANSI b5.50 Túi đựng dụng cụ din2080 B6ak Giá đỡ kẹp hướng tâm, dài, làm mát, nêm Ống kẹp ER co giãn vừa vặn Dụng cụ tiện HSK-T pcmnn 50 °/80 °/50 ° Mâm cặp thủy lực SK, mỏng Điện phay Chuck Mâm cặp co HSK-A 4.5 °, chất làm mát Đầu Hướng Tâm VDI, offset, DIN 5480 Giải pháp công nghiệp Giá đỡ dụng cụ JIS B 6339-nbt Làm thế nào để kiểm tra độ chính xác hết hạn của giá đỡ công cụ ER? Triển lãm BRIGHT-TOOLS năm 2017 Dụng cụ 2025-bmt Vít giữ Giá đỡ máy nghiền mặt BBT Giá đỡ dụng cụ công cụ CNC Ống kẹp oz Trục giữ Mẫu C1 Phải Mâm cặp DIN 69871 SKS Ansi b5.50 mặt Mill chủ inch Bộ chuyển đổi ngàm khoan din2080 B7ak Giá đỡ kẹp hướng tâm, dài, làm mát, nêm Nối dài Ống kẹp ER co giãn Mâm cặp thủy lực hình mèo, mỏng Mâm cặp co HSK-E 4.5 ° Đầu Hướng trục VDI, DIN 5482 Kết quả tìm kiếm Giải pháp khách hàng Giá đỡ dụng cụ DIN 69871-sk Du lịch thường niên BRIGHT-Tools Dụng cụ điều khiển 2025 Bộ kẹp 58 chiếc Các bước vận hành tải giá đỡ dụng cụ co rút như sau Giá đỡ máy nghiền vỏ BBT Combi Collet SKS Trục giữ Mẫu C2 trái Kéo lại Collet Chuck Giá đỡ máy nghiền mặt DIN 69871 Din2080 giá đỡ mâm cặp máy khoan APU Trục c1c4a, chất làm mát Bộ mâm cặp co giãn Dụng cụ tiện HSK-T pdjnr | pdjnl 55 °/93 ° Mâm cặp thủy lực HSK, mỏng Mâm cặp co HSK-F 4.5 ° Đầu Hướng Tâm VDI, DIN 5482 Sơ đồ trang web BRIGHT-TOOLS Sản phẩm mới 2016 Dụng cụ thu nhỏ 2025 Giá đỡ dụng cụ DIN 69871-iso Chất mang dữ liệu balluff Mâm cặp co rút CNC Ống kẹp NDC Trục giữ Mẫu C3 đảo ngược Phải Đầu kẹp SKS Giá đỡ máy nghiền vỏ bọc DIN 69871 Giá đỡ đầu cuối ANSI b5.50 Weldon Mâm cặp thay đổi nhanh din2080 C1c4ak trục, chất làm mát, kẹp nêm Thân mâm cặp co rút mỏng 2 mảnh Dụng cụ tiện HSK-T ddnnn 62.5 °/55 °/62.5 ° Mâm cặp thủy lực C, mỏng Đầu Hướng trục VDI, offset, DIN 5482 404 Hộp đựng dụng cụ Mèo/mèo ANSI b5.50 Công cụ sáng đi chơi mùa xuân Xe đẩy đựng dụng cụ Dụng cụ 2025-hy Giá đỡ đầu phay BBT Weldon Trục giữ Mẫu C4 đảo ngược bên trái Giá đỡ đầu cuối DIN 69871 Weldon Trục c2c3a, chất làm mát 2 mảnh nối dài mâm cặp co rút mỏng Inch giá đỡ máy nghiền mặt Giá đỡ máy nghiền đầu ANSI b5.50 với các kênh làm mát Dụng cụ tiện HSK-T pdnnn 62.5 °/55 °/62.5 ° Ống kẹp điện một chiều Mâm cặp thủy lực BT, thiết kế công suất Đầu Hướng Tâm VDI, offset, DIN 5482 Chính sách bảo mật Giá đỡ dụng cụ DIN 69893 (ISO 12164) HSK-A Triển lãm BRIGHT-TOOLS năm 2016 Giá đỡ Dụng cụ điều khiển 2025-dụng cụ khoan Giá đỡ máy nghiền mặt Bộ chuyển đổi côn BBT morse với tang Giới thiệu Giá đỡ dụng cụ co rút Chúng tôi có thể sản xuất Khoảng 30,000 - 50,000 giá đỡ dụng cụ mỗi tháng Giá đỡ hình chữ nhật có nhiều chỗ ngồi dạng D1 Giá đỡ dụng cụ phay đầu DIN 69871 với các kênh làm mát Bộ chuyển đổi côn morse ANSI b5.50 với tang Mâm cặp co giãn, 3 °, mỏng, tạo thành một Công cụ tiện HSK-T ddunr | ddunl 93 °/55 ° Ống kẹp ren không có cụm, hệ mét Mâm cặp thủy lực SK, thiết kế công suất 2 chiếc mâm cặp SK Slim shrink Fit Đầu Hướng trục VDI, toem Gửi thành công! Phụ Kiện Giá đỡ 2025 dụng cụ Giá đỡ máy công cụ Giá đỡ hình chữ nhật với nhiều chỗ ngồi dạng đảo ngược D2 Giá đỡ máy nghiền vỏ Combi DIN 69871 End Mill giữ còi notch Ống bọc Bộ chuyển đổi giá đỡ dụng cụ ANSI b5.50 Mâm cặp DIN 69893 ER với đai ốc UM Giá đỡ hình chữ nhật d1d2a, chất làm mát Mâm cặp co giãn, 3 °, mỏng, mẫu B Công cụ tiện HSK-T pdunr | pdunl 93 °/55 ° Ống kẹp ren không dây, inch Mâm cặp thủy lực HSK, thiết kế công suất Đầu Hướng Tâm VDI, toem Taggg Dụng cụ 2025-m Giá đỡ dụng cụ phay trong sản xuất thiết bị y tế: một thành phần quan trọng Máy cắt 2025 2025-Chống rung 2025-MOD Tools Ống bọc Bộ chuyển đổi giá đỡ dụng cụ BBT Công cụ phay/tiện CNC Ống kẹp ren với bộ ly hợp, hệ mét Giá đỡ khoan cho mẫu khoan chèn có thể lập chỉ mục E1 Bộ chuyển đổi côn DIN 69871 morse với tang Đầu kẹp DIN 69893 ER với đai ốc lục giác Aralu giá đỡ dụng cụ cắt, chất làm mát Mâm cặp co, 3 °, thông thường, mẫu A Bộ chuyển đổi đầu kẹp khoan ANSI b5.50 Dụng cụ tiện HSK-T dsbnr | dsbnl 90 °/75 ° Mâm cặp thủy lực BT, ngắn VDI Axial Driven head, offset, toem Sản phẩm kết quả tìm kiếm Danh Mục chính Từ chế biến gỗ đến gia công kim loại: Linh hoạt của giá đỡ kẹp Giá đỡ nhàm chán hình E2 Bộ chuyển đổi côn DIN 69871 morse Có thanh kéo Đầu kẹp khoan APU ANSI b5.50 Mâm cặp kẹp DIN 69893 ER với đai ốc Mini Alaru dụng cụ cắt dụng cụ làm mát Mâm cặp co, 3 °, thông thường, mẫu B Giá đỡ mũi phay Dụng cụ xoay HSK-T psbnr | psbnl 90 °/75 ° Mâm cặp thủy lực SK, ngắn Đầu Hướng Tâm VDI, offset, toem Kết quả tìm kiếm khác Danh Mục lớp con Thiết bị điện tử nâng cao: Giá đỡ dụng cụ cắt CNC trong chế tạo PCB Giá đỡ dụng cụ thủy lực Ống kẹp ren có cụm, inch Giá đỡ thanh khoan e2s Giá đỡ máy phay với các kênh làm mát Ống bọc Bộ chuyển đổi giá đỡ dụng cụ DIN 69871 Đầu kẹp khoan chính xác ANSI b5.50 Mâm cặp điện DIN 69893 HSK-A Mâm cặp co, 3 °, thông thường, chất làm mát Dụng cụ tiện HSK-T dssnr | dssnl 45 °/90 ° Mâm cặp thủy lực BT, dành cho khuôn đúc VDI trục hướng đầu, bước Haas Các nhà sản xuất giá đỡ dụng cụ CNC: Tăng cường sản xuất thiết bị y tế với độ chính xác và chất lượng Giá đỡ mâm cặp khoan chính xác BBT Dụng cụ giữ dụng cụ co rút sáng Oz Collet Chuck form E3 Đầu còi Mâm cặp ren thay đổi nhanh ANSI b5.50 Bộ chuyển đổi mâm cặp khoan DIN 69871 Mâm cặp co giãn, cong Dụng cụ tiện HSK-T pssnr | pssnl 45 °/90 ° Mâm cặp thủy lực SK, dành cho khuôn đúc Mâm cặp điện HSK VDI hướng tâm đầu, bước Haas Tăng năng suất với công nghệ kẹp co Bộ chuyển đổi côn morse với tang Giá đỡ mâm cặp khoan DIN 69871 APU Giá đỡ dao phay trục vít ANSI b5.50 Mâm cặp DIN 69893 oz ER Collet Chuck Mẫu E4 Công cụ tiện HSK-T dvpnr | dvpnl 117.5 °/35 ° Mâm cặp thủy lực HSK, dành cho khuôn đúc Vít cài đặt chiều dài kênh mql1 Mâm cặp co BT, cong VDI trục hướng đầu, bù đắp, bước Haas Giới thiệu về giá đỡ dụng cụ thủy lực Bộ chuyển đổi côn morse Có thanh kéo Giá đỡ mâm cặp khoan chính xác DIN 69871 Giá đỡ dao phay trục vít ANSI b5.50, thẳng Mâm cặp DIN 69893 TG Công cụ tiện HSK-T dvunr | dvunl 93 °/35 ° SK mâm cặp thủy lực, để xay Giá đỡ thanh khoan đôi, phải Bộ cấp nước làm mát kênh mql1 2 cái kẹp vừa vặn SK Slim shrink, chất làm mát VDI hướng tâm hướng đầu, bù đắp, bước Haas Vai trò của mâm cặp co trong Độ chính xác CNC Ống bọc Bộ chuyển đổi giá đỡ dụng cụ Bộ chuyển đổi mặt bích có thể điều chỉnh runout BBT Mâm cặp ren thay đổi nhanh DIN 69871 Bộ chuyển đổi mặt bích có thể điều chỉnh runout ANSI b5.50 Đầu kẹp vít chính xác DIN 69893 Công cụ tiện HSK-T dvvnn 72.5 °/35 °/72.5 ° Đầu điều khiển Bmt, DIN 1809 Mâm cặp thủy lực MTB Giá đỡ thanh khoan đôi, bên trái Vít cài đặt chiều dài kênh mql2 Mâm cặp co trong gia công hiệu suất cao Bộ chuyển đổi côn morse dạng F Bộ chuyển đổi đầu kẹp khoan Giá đỡ dao phay vít DIN 69871 Giá đỡ dụng cụ có thể điều chỉnh ANSI b5.50 UM Mâm cặp kẹp kéo lùi DIN 69893 Dụng cụ tiện HSK-T dwlnr | dwlnl 95 °/80 ° Đầu điều khiển VDI, DIN 1809 Bộ cấp nước làm mát kênh mql2 Mâm cặp thủy lực, mô đun Mâm cặp co HSK-A, cong Khám phá ưu điểm của mâm cặp co rút Giá đỡ mâm cặp khoan APU Giá đỡ dụng cụ thu nhỏ là gì? Mẫu trống hình chữ nhật A1 Giá đỡ dao phay vít DIN 69871, thẳng Công cụ căn chỉnh ANSI b5.50 cho cánh tay ATC Mâm cặp DIN 69893 SKS Công cụ tiện HSK-T pwlnr | pwlnl 95 °/80 ° Đầu điều khiển VDI, DIN 5480 Ống kẹp thủy lực, kín Mâm cặp co giãn, mô đun Mâm cặp co HSK-E, cong Thu hẹp để thành công: thu nhỏ các khối trong sản xuất hàng không vũ trụ Giá đỡ đầu kẹp khoan chính xác Kiểm tra độ chính xác của giá đỡ dụng cụ co nhiệt Dạng trống tròn A2 Bộ chuyển đổi mặt bích có thể điều chỉnh runout DIN 69871 Thanh khoan ANSI b5.50 trống Giá đỡ máy nghiền mặt DIN 69893 Ống kẹp kín thủy lực Đầu điều khiển VDI, DIN 5482 Mâm cặp co HSK-F, cong Dung sai vượt quá mức: collets co nhỏ trong kỹ thuật hàng không vũ trụ Trục kiểm tra trục chính BBT Giá đỡ dụng cụ co rút Giá đỡ dụng cụ cắt có thể điều chỉnh độ cao phù hợp Thay đổi nhanh chóng khai thác Chuck Giá đỡ Dụng cụ điều chỉnh được DIN 69871 UM Trục kiểm tra trục chính ANSI b5.50 Giá đỡ máy nghiền mặt DIN 69893 Dụng cụ tiện HSK-T ddqnr | ddqnl 107.5 °/55 °, dài VDI Driven head, toem baruffaldi Ống kẹp thủy lực có kênh làm mát Co bóp vừa vặn: Cách Mạng hóa độ chính xác sản xuất ô tô Giá đỡ dao phay gắn vít Giá đỡ Dụng cụ thu nhỏ vừa vặn Giá đỡ dụng cụ cắt bỏ có thể điều chỉnh độ cao bên trái Thanh khoan DIN 69871 trống Giá đỡ máy nghiền vỏ bọc DIN 69893 Dụng cụ tiện HSK-T pdqnr | pdqnl 107.5 °/55 °, dài VDI Điều khiển đầu, bước Haas Công cụ căn chỉnh ANSI b5.50 cho cánh tay ATC Co bóp vừa vặn: Cách Mạng hóa gia công chính xác Giá đỡ dụng cụ kẹp thủy lực Giá đỡ dụng cụ cắt bỏ ngược chiều cao phải có thể điều chỉnh DIN 69871 trục chính kiểm tra ARBOR Giá đỡ đầu cuối DIN 69893 Weldon Giá đỡ dao phay dạng vít, thẳng Dụng cụ tiện HSK-T sclcr | sclcl 95 °/80 ° 2 chiếc mâm cặp co rút mỏng HSK-A Thu nhỏ phù hợp với collets trong xây dựng và cơ sở hạ tầng Bộ chuyển đổi mặt bích có thể điều chỉnh runout Giữ dụng cụ co rút Giá đỡ dụng cụ cắt ngược chiều cao trái có thể điều chỉnh Công cụ căn chỉnh DIN 69871 cho cánh tay ATC Giá đỡ đầu cuối DIN 69893 với các kênh làm mát Dụng cụ xoay HSK-T scmcn 50 °/80 °/50 ° Um có thể điều chỉnh DIN 69893 End Mill giữ còi notch Dụng cụ tiện HSK-T sdhcr | sdhcl 107.5 °/55 ° Công cụ căn chỉnh SK cho cánh tay ATC Phân loại giá đỡ dụng cụ co nhiệt Cân bằng động kiểm tra cmm Mẫu phích cắm bảo vệ Z2 Dụng cụ căn chỉnh cho cánh tay ATC Công cụ xoay HSK-T sdncn 62.5 °/55 °/62.5 ° Mâm cặp thủy lực, mô đun Imts 2024 Trống thanh khoan Bộ chuyển đổi côn DIN 69893 morse Có thanh kéo Dụng cụ tiện HSK-T sdjcr | sdjcl 93 °/55 ° Mâm cặp co giãn Nguyên lý và ưu điểm của Giá đỡ dụng cụ co nhiệt Trục kiểm tra trục chính Ống bọc Bộ chuyển đổi giá đỡ dụng cụ DIN 69893 Dụng cụ tiện HSK-T sducr | sducl 93 °/55 ° Mâm cặp thủy lực Hiệu suất và ứng dụng của giá đỡ thủy lực Giá đỡ mâm cặp khoan DIN 69893 APU Dụng cụ tiện HSK-T ssbcr | ssbcl 75 °/90 ° Công cụ căn chỉnh BT cho cánh tay ATC Đầu kẹp ER Các tính năng và loại dụng cụ sáng-Giá đỡ dụng cụ BMT Quy trình gia công của giá đỡ dụng cụ thủy lực Giá đỡ mâm cặp khoan chính xác DIN 69893 Dụng cụ tiện HSK-T ssscr | ssscl 45 °/90 ° 2 cái mâm cặp co rút mỏng HSK-A, chất làm mát Thiết bị vệ sinh giá đỡ dụng cụ Giá đỡ mũi phay Trung tâm xoay và giá đỡ dụng cụ điều khiển Giá đỡ công cụ điều khiển hiệu suất cao như thế nào Đầu kẹp ER Mâm cặp co rút dụng cụ sáng Mâm cặp ren thay đổi nhanh DIN 69893 Dụng cụ tiện HSK-T svpbr | svpbl | svpcr | svpcl 117.5 °/35 ° Giá đỡ dụng cụ Nguyên lý hoạt động của giá đỡ dụng cụ HSK E50 Các loại giá đỡ dụng cụ HSK Túi đựng dụng cụ Ống kẹp ER Giá đỡ dao phay vít DIN 69893 Dụng cụ tiện HSK-T svubr | svubl | svucr | svucl 93 °/35 ° Ưu điểm và ứng dụng phân tích mâm cặp phay điện Máy co giãn Giá đỡ dụng cụ ER được xử lý và sử dụng như thế nào? Giá đỡ dao phay vít DIN 69893, thẳng Công cụ xoay HSK-T svvbn | svvcn 72.5 °/35 °/72.5 ° Ưu điểm và ứng dụng thu nhỏ vừa vặn Bộ chuyển đổi mặt bích có thể điều chỉnh runout DIN 69893 Dụng cụ tiện HSK-T svjbr | svjbl | svjcr | svjcl 93 °/35 ° Đặc điểm và chức năng của giá đỡ công cụ điều khiển mà người mới bắt đầu Cần Biết Giá đỡ Dụng cụ điều chỉnh được DIN 69893 UM Dụng cụ tiện HSK-T sdqcr dài | sdqcl 107.5 °/55 ° Các đặc tính của mâm cặp thủy lực là gì? Nguyên lý hoạt động của mâm cặp thủy lực hoạt động như thế nào? Công cụ căn chỉnh DIN 69893 cho cánh tay ATC Công cụ tiện HSK-T svqcr dài | svqcl 107.5 °/55 ° Các Điều Cấm Kỵ ứng dụng của việc lắp đặt Ống kẹp thủy lực Thanh khoan DIN 69893 trống 2 chiếc mâm cặp co rút mỏng HSK-E Giá đỡ dụng cụ co rút là gì? DIN 69893 trục chính kiểm tra ARBOR 2 chiếc mâm cặp co rút mỏng HSK-F Thiết kế sáng tạo và ứng dụng của giá đỡ dụng cụ co nhiệt Ứng dụng của giá đỡ co nhiệt trong Gia Công Khuôn Chọn giá đỡ CNC Giá đỡ dụng cụ DIN 69893 (ISO 12164) HSK-E Ưu điểm của việc sử dụng giá đỡ dụng cụ VDI trong tiện CNC Giá đỡ dụng cụ gia công CNC mâm cặp thủy lực Giá đỡ dụng cụ DIN 69893 (ISO 12164) HSK-F Kịch bản ứng dụng của giá đỡ thủy lực Hộp đựng dụng cụ din69893 (ISO12164-1)-HSK-T Tóm tắt các điểm kiến thức về giá đỡ thủy lực Dụng cụ sáng kẹp co Giá đỡ dụng cụ DIN2080-NT Giá đỡ thủy lực: dụng cụ sản xuất có độ chính xác cao BRIGHT-TOOLS giá đỡ dụng cụ kẹp co vừa vặn cho trung tâm máy CNC Giá đỡ dụng cụ GOST 25827-93 Kiến thức liên quan đến giá đỡ CNC Mâm cặp phay thủy lực So sánh hiệu suất của các loại giá đỡ dụng cụ khác nhau Mâm cặp co rút vừa vặn Bạn có biết tay cầm dụng cụ co nhiệt trông như thế nào không? Ngàm kẹp GOST 25827-93 ER Giá đỡ dụng cụ BBT thiết kế kết cấu và ứng dụng của nó trên máy công cụ CNC Ngàm phay điện GOST 25827-93 Quy trình vận hành và bảo trì an toàn cho giá đỡ dụng cụ co nhiệt Ngàm phay điện GOST Sự khác biệt và phân tích ứng dụng của giá đỡ dụng cụ kéo sợi và giá đỡ thủy lực Các phân loại của giá đỡ công cụ co nhiệt là gì? Sự khác biệt giữa giá đỡ công cụ BT và BBT Phân loại mâm cặp co nhiệt giá đỡ dụng cụ co nhiệt Giá đỡ máy nghiền mặt GOST 25827-93 Nguyên lý làm việc và vận hành an toàn của giá đỡ thủy lực GOST Giá đỡ máy nghiền vỏ bọc 25827-93 Nguyên lý và ưu điểm của Giá đỡ dụng cụ co nhiệt Đầu kẹp DIN 69893 (ISO 12164) HSK-F ER GOST giá đỡ đầu máy Weldon 25827-93 Làm thế nào để đảm bảo an toàn xử lý khi sử dụng giá đỡ công cụ HSK? Đầu kẹp DIN 69893 (ISO 12164) HSK-F oz GOST Bộ chuyển đổi côn morse 25827-93 với tang Cấu trúc và ưu điểm của Giá đỡ dụng cụ HSK Giá đỡ máy nghiền mặt DIN 69893 (ISO 12164) HSK-F GOST Bộ chuyển đổi côn morse 25827-93 Có thanh kéo Giá đỡ dụng cụ HSK: vũ khí bí mật để gia công hiệu quả DIN 69893 (ISO 12164) HSK-F Weldon End Mill chủ sở hữu Ngàm kẹp khoan APU GOST 25827-93 Chiều dài kẹp tối thiểu của giá đỡ dụng cụ co nhiệt là bao nhiêu? Phụ kiện máy công cụ kẹp co Bộ chuyển đổi côn morse 69893 DIN 12164 (ISO HSK-F) với tang Ngàm bấm nhanh GOST 25827-93 Chức năng và tầm quan trọng của giá đỡ công cụ VDI Giá đỡ dụng cụ co nhiệt hoạt động như thế nào? Giá đỡ mâm cặp khoan chính xác DIN 69893 (ISO 12164) HSK-F Giá đỡ dụng cụ thủy lực: một sự lựa chọn tuyệt vời cho gia công chính xác cao Thanh khoan DIN 69893 (ISO 12164) HSK-F trống BRIGHT-TOOLS: Công ty hàng đầu trong sản xuất giá đỡ dụng cụ Ống kiểm tra trục chính DIN 69893 (ISO 12164) HSK-F Tiêu chuẩn và chức năng của ống làm mát HSK Triển lãm máy công cụ quốc tế Trung Quốc cimt2025 Sự khác biệt giữa giá đỡ BT và giá đỡ dụng cụ SK Ưu điểm và nguyên tắc của giá đỡ dụng cụ co nhiệt Các tính năng và ưu điểm của Giá đỡ dụng cụ SK Giá đỡ dụng cụ DIN 69880 VDI: sự lựa chọn lý tưởng cho gia công có độ chính xác cao Thiết kế giá đỡ công cụ HSK vs giá đỡ công cụ DIN 69871: sự khác biệt thực sự là gì? Emo 2025 gian hàng số hall4, D58 Mâm cặp thủy lực hoạt động như thế nào để giúp cuộc sống CNC của bạn dễ dàng hơn Cách xác định các loại giá đỡ công cụ HSK khác nhau cho các ứng dụng CNC Dịch vụ
Công cụ sáng sủa, tương lai tươi sáng
Skype: :
Sdjinjie101
Địa chỉ :
253000, Đại lộ chongde 5, Quận mới gaotie, Đức Châu, Sơn Đông, Trung Quốc.